| English
| Deutsch
FED1+: Produce Tools and Utilities for Compression Springs on 3D Printer

Mandrel and bore (bush) for the calculated compression spring can be created by FED1+ as STL file and printed on 3D printer. Moreover, a "typecase" to be used for presetting of the compression springs to reduce relaxation. Question to FED users: any suggestions to create other useful 3D printable tools and utilities for production, assembly, measuring and testing of compression springs? Mailto:Fritz.Ruoss@hexagon.de

FED12: Elastomer spring as STL Model
FED12 creates 3D model of cylindrical rubber spring.
Software Bundle – Complete Spring Package
HEXAGON Complete Spring Package for 4985 Euro (standalone license) includes a total of 17 spring calculation programs (FED1+,2+,3+,4,5,6,7,8,9,10,11,12,13,14,15,16,FED17).
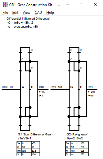
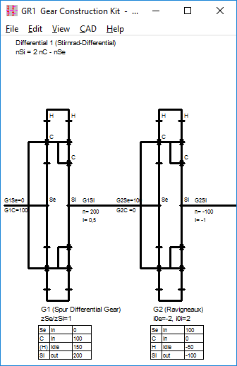
GR1: Planetary Differential
A planetary differential gear is made of 2 planetary stages without ring wheels. With common carrier, where the planetary wheels drive each other (nP2 = - nP1*zP1/zP2).

Design is comparable with a Ravigneux gear without ring wheel, and can be calculated like a Ravigneux Gear. For transmission ratio 1, set i0i = -i0 and ring gear = idle.
Primarily, we define both sun wheels Se and Si as input shafts. Output shaft is the planet carrier (C): nC = (nSi+nSe)/2. Output speed is mean value of input speeds.
Next, we define Se and C as input shaft, and get nSi = 2*nC – nSe. If input shaft Se is blocked (nSe=0), nSi runs with double input speed (2*nC). And if planet carrier is blocked (nC=0), nSi runs with inverse input speed (nSi = -nSe).


ZAR1+: Sector Gear for CAD, STL

Instead of a gear wheel, you now also can generate a sector of a gear wheel as CAD file or STL file. Enter number of teeth, and ZAR1+ generates a sector gear over n teeth.

This option also can be used to generate a rack.

Sectors and racks with spur toothing (ß=0°) can be printed with 3D printer.
ZAR5: Form diameter dFf

Form diameters for sun wheel, planet wheel and ring wheel were added to ZAR5 printout.
WL1+: Bore diameters dimensioned
Dimensions of bore diameters have been added to production drawing of hollow shafts.

WL1+: STL closed solid
Until now, STL volume was created by lateral surfaces of the cylinders. No problem for 3D printing, but in STL viewer shaft appears hollow. Thus frontal surfaces were closed now.

GEO1+: Quick3 View

New Quick3 View of the profile calculation software now shows profile drawing and tables with coordinates and calculation results on one screen.
If you used the multi layer option to connect different profiles to one volume, new Quick 3 View shows a 3D drawing and tables with GEO1 elements (file name, scale, shift, rotation, direction).


GEO2: STL Solid Model

GEO2 calculates volume, masse and mass moment of inertia of any rotationally symmetric body. Geometrical body is defined by input of xy coordinates of the section area (half-section). For example, you can define a sphere with bore by input of only 2 drawing elements: a straight line and an arc in a xy plane. New version 3.0 of GEO2 can generate a STL file of the solid model.


GEO2 Generate Predefined Standard 3D Models:
GEO2 generates coordinates of standard models like cylinder, sphere, cone, frustrum, torus, ellipsoid, hemisphere flange bushing, ball knob by input of few parameters. And outer ring and inner ring of groove ball bearing, axial ball bearing, angular contact ball bearing.

GEO2: Quick3 View
Quick1 View and Quick3 View show tables with coordinates and calculation results and a sectional drawing altogether on one screen.


Tip: Design a Cycloid Gear with involute gear wheels by means of ZAR1+
By rolling off a gear wheel in a ring wheel you can realize a gear with large transmission ratio with relative small dimensions, if difference in number of teeth between external and internal wheel is low. Gear wheel is driven by an eccentric shaft, output is rotation of the same gear wheel relative to center of the fixed ring wheel. Similar gears according to this principle are known as "Cyclo Gear" (Sumitomo, Markt Indersdorf), but with special cycloide toothing instead of ordinary involute toothing.
Transmission ratio is i = z1 / (|z2| - z1). Highest transmission ratio can be achieved if number of teeth of the cog wheel is 1 less than number of teeth of the ring wheel. To avoid teeth collision, tooth height must be reduced and pressure angle increased.
Example: z1=34, z2=-36, m=1, alpha=45°, tooth height coefficients 0.6*m and 0.45*m.
Center distance 1mm is eccentricity of the driving shaft, transmission ratio = 1:17.



Nuisance: German Telecom wants money for a dead phone line
Our offices in Neidlingen and Berlin are without fixed phone line since years, because German Telecom failed or was not willing to repair the broken phone line. Therefore we terminated the contract without notice, and switched phone and internet to mobile. Now HEXAGON GmbH was sued by Telekom Deutschland GmbH for payment of the retained fees (of 211 euros) for the faulty connections. In return, she receives a counterclaim from us for damages for non-availability due to the disturbed telephone connections. If you could not reach us in 2014 or 2016 in Berlin (+49-30-28096996) or Neidlingen (+49-7023-909567) because of disruption of the line, we ask for notification. Allegedly the disturbance must be proved by the Telecom customer, a confirmed disturbance report is not sufficient as proof. Already won: the remaining two telephone lines in Kirchheim were consequently terminated promptly after filing a claim with Deutsche Telekom and switched via FritzBox Cable to TV cable of Unitymedia: faster Internet for less money. German Telecom? Never again!
30 years HEXAGON Software with prices like 30 years ago
Since 1988, is HEXAGON software is on the market. The first programs were TOL1, ZAR1 and FED1. The programs ran under MS-DOS and were delivered on 5.25" floppy disks 360 kB. In order to offer prices like 30 years ago, no price list has to be rewritten: most prices remained almost the same over the years. For example, FED1 + cost 1350 Deutsche Mark at that time, today 695 Euro.