| Deutsch
| English
FED1+: Hilfsmittel für Federn mit 3D-Drucker herstellen

Einen Dorn und eine Hülse für die Aufnahme der Feder kann man jetzt als STL-Datei ausgeben und mit 3D-Drucker herstellen. Außerdem ein "Setzkasten" zum Vorsetzen der Federn. Frage an FED-Anwender: Welche (mit 3D-Drucker herstellbare) Hilfsmittel zum Herstellen, Prüfen, Messen, Setzen und Testen einer Feder wären sonst noch nützlich? Mailto:Fritz.Ruoss@hexagon.de

FED12: Elastomerfeder als STL-Modell
Elastomerfedern aus FED12 kann man als STL-Modell ausgeben und mit 3D-Drucker erstellen.
Feder-Gesamtpaket
Zum Paketpreis von 4985 Euro für die Einzelplatzlizenz gibt es jetzt ein neues Feder-Gesamtpaket mit allen 17 Federprogrammen (FED1+, 2+, 3+, 4, 5, 6, 7, 8, 9, 10, 11, 12, 13, 14, 15, 16, 17).
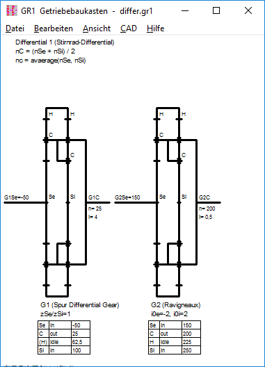
GR1: Stirnrad-Differentialgetriebe
Ein Stirnrad-Differentialgetriebe besteht aus 2 Planetenstufen ohne Hohlräder mit gemeinsamen Planetenträger, wobei die Planetenräder einander antreiben (nP2 = - nP1*zP1/zP2).

Der konstruktive Aufbau ist im Prinzip gleich wie ein Ravigneaux-Getriebe, das Hohlrad kann man weglassen. i0e = -i0i setzen Für Übersetzung i = 1, Hohlrad im Leerlauf (idle).
Eingangswellen seien zunächst die beiden Sonnenräder Se und Si, Ausgang der gemeinsame Planetenträger (C): nC = (nSi+nSe)/2. Ausgangsdrehzahl ist dann der Mittelwert der beiden Eingangsdrehzahlen.
Wenn man Se und C als Eingangswellen festlegt, dann ist nSi = 2*nC – nSe. Bei blockierter Eingangswelle nSe=0 läuft nSi mit doppelter Eingangsdrehzahl (2*nC). Und bei blockiertem Planetenträger läuft nSi mit der umgekehrten Eingangsdrehzahl (-nSe)


ZAR1+: Zahnradsektor als CAD oder STL Datei
Anstelle eines Zahnrads kann man jetzt auch nur einen Sektor davon als Zeichnung oder STL-Datei ausgeben. CAD->Sector, dann Anzahl der Zähne eingeben.

Auch eine Zahnstange kann man so generieren.

Teile mit Geradverzahnung (ß=0°) kann man mit 3D-Drucker herstellen.

ZAR5: Formkreisdurchmesser dFf
Im Ausdruck wurden die Formkreisdurchmesser dFf von Sonnenrad, Planetenrad und Hohlrad ergänzt.

WL1+: Innendurchmesser bemaßt
Bei Hohlwellen werden die Bohrungsdurchmesser jetzt auch bemaßt.

WL1+: STL Körper geschlossen
In der STL-Darstellung waren bislang nur die Mantelflächen dargestellt. Für 3D-Druck kein Problem, aber die Darstellung im Viewer sah etwas hohl aus. Deshalb wurden die Stirnflächen jetzt geschlossen.

GEO1+: Quick3-Ansicht
Neue Quick3-Ansicht von der Querschnittsberechnung mit Profilzeichnung und Tabellen mit Koordinaten und Berechnungsergebnissen.

Falls statt einzelnen Querschnittskoordinaten mehrere GEO1-Dateien als Layer zusammengefügt wurden, wird stattdessen eine Quick3-Ansicht mit 3D-Zeichnung und Tabelle mit Einzelelementen, Maßstab, Verschiebung, Drehung und Richtung angezeigt.


GEO2: STL-Volumenmodell

GEO2 berechnet Volumen, Masse und Massenträgheitsmoment von rotationssymmetrischen Körpern. Der Körper wird definiert durch Eingabe der xy-Koordinaten der Querschnittsfläche (Halbschnitt). So kann man z.B. eine Kugel mit Bohrung definieren durch Eingabe der Koordinaten von lediglich 2 Zeichnungselementen in der xy-Ebene: eine gerade Linie und ein Kreisbogen.

Jetzt kann man den Körper auch als STL-Datei generieren.

GEO2 Vordefinierte Rotationskörper:
Die Standardkörper wurden ergänzt um Halbkugel, Hohlzylinder geschlossen, Bundbuchse und Kugelkopf. Dann noch Außen- und Innenring für Rillenkugellager, Schrägkugellager, Axialkugellager.

So kann man recht schnell und unkompliziert Buchsen, Scheiben, Lagerschalen usw. generieren und mit 3D-Drucker herstellen.
GEO2: Quick3-Ansicht
In Quick1 und Quick3 Ansicht werden Tabellen mit Koordinaten und Berechnungsergebnissen zusammen mit der Schnittzeichnung auf einer Seite angezeigt.


SR1: Vorschlagsbuttons für exzentrischen Kraftangriff
Die Vorschlagsbuttons berechnen Fläche und Flächenträgheitsmomente für einen zylindrischen Biegekörper. Aus der gewählten Trennfläche wurde bislang mit den Abmessungen des ersten Klemmstücks gerechnet. Jetzt berechnen die "<" Buttons alle Flächen und Flächenträgheitsmomente mit Demin und Dimax, dem Größtwert der Bohrung und Kleinstwert des Außendurchmessers der beiden gewählten Klemmplatten.
Außerdem gibt es für Trennfugenfläche AD und Flächenträgheitsmoment IBT einen zweiten Vorschlagsbutton: Damit werden Fläche und Flächenträgheitsmoment für einen quadratischen statt runden Querschnitt berechnet. Als Kantenlänge wird der Durchmesser Demin verwendet.
Es ist zu beachten, dass die Werte der Vorschlagsbuttons hier nur Vergleichswerte liefern, weil die exzentrischen Trennflächen und Biegekörper meist weder rund noch quadratisch sind. Die tatsächlichen Flächen, Flächenträgheitsmomente und den Schwerpunkt zur Bestimmung von ssym, u und v kann man mit GEO1+ berechnen, oder in CAD.
SR1: 2 neue Werkstoffe in pressung.dbf
Die Werkstoffdatenbank pressung.dbf wurde um S355JR und X20Cr13 ergänzt.

FAQ Frage: Gibt es eine Software zur Berechnung von Federscheiben (curved disk spring)?
Antwort: Gewellte Federscheiben kann man mit FED13 als Wellfeder mit 2 Wellen berechnen.
FAQ: SR1+ Frage Kunde: Wenn ich den Ausnutzungsfaktor auf "1" setze, dann sollte ja genau Rp0,2 als Auslegungswert zugrunde gelegt sein. Wenn ich aber aus sigma_0 und tau_max die Vergleichsspannung bilde (oder den Reduktionskoeffizient k_tau auf "1" setzte), dann ergibt sich eine Vergleichsspannung größer Rp0,2 und somit ist die Sicherheit gegen die Streckgrenze SF kleiner "1". Kann das sein?
Antwort HEXAGON: Früher war das richtig so, mit nüRp=1 und ktau=1, dann SF=1: Bearbeiten->Anziehverfahren: "VDI 2230:1986 für FM,MA" setzen. FA=0, nüRP=1, ktau=1, dann ist SF = 1,00. Seit die Berechnung in VDI 2230 geändert wurde, stimmt das nicht mehr.
Antwort Kunde: Vielen Dank für den Hinweis auf den Vergleich mit der VDI 2230:1986. Es ist die Korrektur des polaren Widerstandsmomentes für den vollplastischen Zustand, die zwar für die Vorspannung, aber nicht für den Betriebszustand berücksichtigt wird.
Tip: Feder schnell in verschiedenen Federlängen darstellen

In der Quick-Eingabe unter "Display" "Zeichnung Ansicht" wählen, dann wird daneben ein Eingabefeld "L" sichtbar. Federlänge eingeben, dann Enter-Taste oder "Calc" drücken.
Tip: Abwälzgetriebe mit Hilfe von ZAR1+ konstruieren
Wenn man ein Zahnrad in einem Hohlrad abwälzt, kann man (bei geringer Zähnezahldifferenz) ein Getriebe mit hoher Übersetzung bei geringem Baumaß realisieren. Das Zahnrad wird über eine Exzenterwelle angetrieben, Abtrieb ist die Drehung desselben Zahnrads relativ zum Zentrum. Das Hohlrad steht fest. Nach demselben Prinzip arbeiten auch "Cyclo Getriebe" (Sumitomo, Markt Indersdorf), aber mit spezieller Zykloidenverzahnung.
Das Übersetzungsverhältnis ist i = z1 / (|z2|-z1). Das größte Übersetzungsverhältnis erreicht man, wenn die Zahnradzähnezahl um einen Zahn kleiner ist als die Hohlradzähnezahl. Um Eingriffstörungen zu vermeiden, muß die Zahnhöhe verringert und der Eingriffswinkel vergrößert werden.
Beispiel: z1=34, z2=-36, m=1, alpha=45°, Zahnhöhenfaktoren 0.6*m und 0.45*m.
Achsabstand 1mm ist Exzentrizität der Exzenterwelle, Übersetzung = 1:17.



Ärgernis: Deutsche Telekom will Geld für tote Leitung
In unseren Büros in Neidlingen und Berlin gibt es schon seit einigen Jahren keinen Telefonanschluss mehr, weil die Telekom eine Störung der Leitung nicht beheben konnte oder wollte. Deshalb wurde der Anschluß fristlos gekündigt und auf Mobilfunk umgestellt. Nun wurde die HEXAGON GmbH von der Telekom Deutschland GmbH auf Zahlung der einbehaltenen Gebühren von 211 Euro für die gestörten Anschlüsse verklagt. Dafür bekommt sie von uns eine Widerklage auf Schadensersatz wegen Nichterreichbarkeit aufgrund der gestörten Telefonanschlüsse. Wenn Sie uns 2014 oder 2016 in Berlin (030-28096996) oder Neidlingen (07023-909567) telefonisch wegen Störung der Leitung nicht erreichen konnten, bitten wir um Benachrichtigung. Angeblich muß die Störung vom Telekom-Kunden bewiesen werden, eine bestätigte Störungsmeldung reiche nicht als Beweis. Gewonnen haben wir schon jetzt: die verbliebenen zwei Telefonanschlüsse in Kirchheim wurden konsequenterweise sofort nach Klageeingang bei der Deutschen Telekom fristgerecht gekündigt und via FritzBox Cable auf TV-Kabel von Unitymedia umgestellt, mit schnellerem Internet für weniger Geld. Fazit: Nie wieder Deutsche Telekom!
30 Jahre HEXAGON Software mit Preisen wie vor 30 Jahren
Seit 1988 gibt es HEXAGON Software. Die ersten Programme waren TOL1, ZAR1 und FED1. Die Programme liefen unter MS-DOS und wurden auf 5,25" Disketten 360 kB geliefert, Internet gab es damals noch nicht. Um Preise wie vor 30 Jahren anzubieten, muss keine Preisliste umgeschrieben werden: Die meisten Preise blieben annähernd gleich über all die Jahre. FED1+ zum Beispiel kostete damals 1350 DM, heute 695 Euro.